Trailer Control Systems.
Trailer Control systems include yard release kit, twin line Trailer control systemsBrake and pneumatic kits and accessories to suit all variety of combinations.
Trailer Control Systems.
Yard Release Kit.
ABT-YRK001

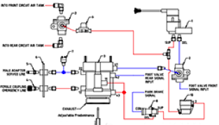
Twin Line Trailer Control System with foot control (European)
ABT-TLK001


ABT-TLK002
Twin Line Trailer Control System with hand control (European version)
ABT-ATLK001
Twin Line Trailer Control System with foot control only. (American)
Twin Line Trailer Control System with hand and foot control. (American version)
ABT-ATLK002



Twin Line Trailer Control System Mechanical with hand control.(American version)
ABT-ATLK003
Brake and pneumatic kits and Accessories.
Load sensing air suspension kit for trailer with Raise Lower Valve Kit.
Raise Lower Valve Single Circuit. Kit.
Raise Lower Kit Dual Circuit.
Load Sensing Air Suspension Kit. Diagram of Tri axle system.
Air Bag Dump Kit.
Manual Auto Axle Lift Kit.(dual circuit)
ABT-KIT-RLV001
ABT-EASV3115
EASV3111
ABT-KIT-LSV001
ABT-KIT-ABD01
ABT-KIT-ALK001











